گزارش نشست تخصصی “دورنمای قابل رؤیت در گذار انرژی اقلیم”
نشست تخصصی «دورنمای قابل رؤیت در گذار انرژی و تغییر اقلیم» بهعنوان بخشی از چهاردهمین نمایشگاه بین المللی انرژی های تجدید پذیر و بهره وری برق، با حضور متخصصان برجسته و مدیران ارشد حوزه انرژی با هدف بررسی ابعاد مختلف گذار انرژی و توسعه انرژی های تجدید پذیر و بهینه سازی انرژی با مدیریت پنل جناب آقای دکتر پنجه شاهی برگزار شد. این نشست با تمرکز بر موضوعات مهمی چون همبست انرژی، محیط زیست، آب، ذخیره سازهای انرژی برای توسعه انرژی های تجدیدپذیر، تأثیر انرژی های تجدید پذیر در صنعت فولاد، ساختمان های صفر انرژی و استفاده از ظرفیت های بینالمللی در مقابله با تغییر اقلیم، به ارائه راهکار های عملی برای گذار به انرژی های پاک و کاهش اثرات تغییر اقلیم پرداخت.
بهکارگیری فناوری NE3W راهی برای مقابله با بحران انرژی
دکتر سبوحی، عضو هیئت علمی دانشگاه صنعتی شریف و عضو هیئت مدیره باشگاه صاحب نظران انرژی ایرانیان به عنوان اولین سخنران پنل به نقش فناوری در مقابله با بحران انرژی اشاره کردند. وی مفهوم همبست آب انرژی محیط زیست را تبیین و اظهار داشت که فناوری های نوین می تواند از طریق بازچرخانی منابع، تاثیرات مثبتی در کاهش بحران انرژی و آلودگی های زیست محیطی داشته باشند.وی طرح NE3W را به عنوان یک راهکار فناورانه معرفی کرد که به بازیافت انرژی، کاهش مصرف آب و کاهش گاز های گلخانه ای کمک کند.این فناوری این قابلیت را دارد که ۷۵ درصد از گاز های گلخانه ای را جدا کند.
دکتر سبوحی معتقد است این طرح علاوه بر کاهش مصرف آب که ثروت ملی به شمار می رود، آلودگی های محلی مثل اکسید ازت و فسفر حذف می شود.
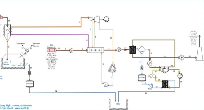
طرح بازیابی انرژی و آب در واحد احیای مستقیم کاربرد فناوری NE3W
استفاده از این طرح ها، گازهای سمی فرآیند تولید فولاد را حذف و کل برق مصرفی را از طریق بازیافت تأمین و میزان گاز مصرفی را در یک واحد ۱۱۰ تنی به ۸۰۰ میلیون مترمکعب در سال کاهش میدهد.
این روش مقدار ۵۵ مترمکعب در ساعت آب جدید از طریق بخار حاصل میشود و مصرف آب حذف میشود.
اگر قیمت برق را کیلوواتی ۸ سنت و قیمت گازی که در این روش صرفهجویی میشود را ۱۵ سنت در نظر بگیریم، زمان برگشت اصل سرمایه در این برق ۳ساله است. دکتر سبوحی مدعی است که با این روش در یک واحد با ظرفیت ۱۱۰ تن، سالیانه ۸۰۰ میلیون مترمکعب گاز صرفهجویی میشود و بالغ بر ۴۰۰ مگاوات ظرفیت تولید الکتریکی ایجاد میشود.
پتانسیل ذخیره ساز های انرژی در توسعه انرژی های تجدیدپذیر
دکتر ادیب فر مدیر بازاریابی گروه نوران انرژی، عضو باشگاه صاحب نظران ایرانیان و انجمن ساتکا ضمن تشریح انواع ذخیره ساز ها به اهمیت دوچندان ذخیره ساز های انرژی در توسعه انرژی های تجدیدپذیر پرداختند. وی اظهار داشت که انرژی های تجدیدپذیر به دلیل ماهیت متغیر خود نیازمند ذخیره ساز های کارآمد هستند و عملا درصورتی که به ذخیره ساز ها توجهی نشود توسعه انرژی های تجدیدپذیر عملا بی تاثیر خواهد بود. هچنین در ادامه سخنرانی خود به مدیریت بهینه تجدیدپذیرها، تعادل عرضه و تقاضا و تأمین ظرفیت قابل اعتماد در زمان تولید کم بهعنوان موضوعات مورد بحث برای توسعه تجدید پذیرها و مقابله با ناترازی انرژی مطرح شد و همچنین به توسعه شبکه های هوشمند پرداختند که می تواند نقش کلیدی در مدیریت منابع انرژی های تجدیدپذیر داشته باشد.
بررسی ساختمان های صفر انرژی توسط مهندس بهرام صادقی خطب
یکی از مباحث برجسته نشست توسط مهندس بهرام صادقی خطب، مدیرعامل گروه آبر ، عضو هیئت مدیره باشگاه صاحب نظران انرژی ایرانیان ارائه شد.
مهندس صادقی خطب به جایگاه ساختمان ها در مصرف انرژی و حرکت به سمت ساختمان های صفر انرژی پرداختند که درحال حاضرحدود 40 درصد از کل انرژی مصرفی در ساختمان ها استفاده می شود و اصلاح این روند می تواند تاثیر بزرگی بر کاهش مصرف انرژی داشته باشد.همچنین صنعت ساختمان سهم 39 درصدی در انتشار کربن دی اکسید را دارند .
مهندس بهرام صادقی خطب معتقد است که برای کاهش ناترازی کشور بایستی به سمت ساختمانهای صفر انرژی حرکت کند، سیاستی که در بسیاری از کشورهای جهان دنبال شده است. مهندس بهرام صادقی خطب با بررسی تجربیات جهانی در این زمینه افزود: دولت های مختلف در جهان، سیاست های تشویقی متعددی را برای کاهش مصرف انرژی در صنعت ساختمان به کار گرفته اند. به عنوان مثال، چین وام های کم بهره به سازندگان ارائه می دهد و ژاپن از تفاهم نامه های مشترک بین وزارتخانه ها برای کاهش مصرف انرژی استفاده می کند.
وی در ادامه به راهکار های فعال و غیرفعال برای اجرای ساختمان های صفر انرژی اشاره کرد.استفاده از پنل های خورشیدی بر روی پشت بام ها و سایه بان ها، طراحی بهینه برای بهره گیری از نور طبیعی، سیستم های کنترل هوشمند مصرف انرژی و استفاده از تجهیزات کم مصرف از جمله مواردی بود که وی به آن ها اشاره کرد.
ساختمان مرکزی بنیاد پاکارد
همچنین در ادامه مهندس بهرام صادقی خطب برای اجرای یک نمونه موفق از یک ساختمان صفر انرژی که به اجرا درآمده است را معرفی کردند که این ساختمان از پایه، با در نظر گرفتن اصول بهینه سازی انرژی طراحی شده بود.وی تاکید کرد که با به کارگیری این راهکار ها، نه تنها هزینه های انرژی کاهش می یابد، بلکه تاثیرات محیط زیستی نیز حاصل می شود.
با ارائه راهکار های بهینه سازی در این پروژه که با انتخاب تجهیزات اداری کم مصرف ، حدود 58 درصد مصرف انرژی در این بخش کاهش یافت و این تغییرات در کاهش تعداد پنل های خورشیدی و در واقع هزینه های اولیه در بخش تولید انرژی نقش بزرگی داشت.
ظرفیت های بین المللی تغییر اقلیم در گذار انرژی
دکتر کاظم کاشفی، دبیرکل باشگاه صاحب نظران انرژی ایرانیان، با نگاهی جهانی به موضوع تغییر اقلیم، بر اهمیت استفاده از ظرفیت های بین المللی تأکید کرد. وی اظهار داشت که ۸۸ درصد از کشور های انتشاردهنده گاز های گلخانه ای برنامه هایی را برای گذار به انرژی های پاک در افق ۳۰ سال آینده تدوین کرده اند.
دکتر کاشفی همچنین به نقش پروژه های بهره وری انرژی و تجدید پذیر ها در کاهش انتشار گاز های گلخانه ای پرداخت و افزود که سازوکار های مالی و همکاری های فناورانه می توانند راهی برای بهره برداری از این ظرفیت های بین المللی باشند.
با اشاره به ظرفیتهای بینالمللی و بازاری برای تغییر اقلیم گفت: این ظرفیتها در کشورها به روشهای مختلف تسهیلات مالی، انتقال فناوری، توانمندسازی و ظرفیتسازی ارائه میشوند؛ بخشی نیز به صورت همکاریهای فناورانه کشورها با یکدیگر صورت میگیرد.
نتیجه گیری: لزوم حرکت به سمت توسعه پایدار
این نشست تخصصی با تأکید بر موضوعات کلیدی مانند انرژی های تجدیدپذیر، ذخیره سازی انرژی و ساختمان های صفر انرژی با هدف حرکت به سمت توسعه پایدار، نشان داد که استفاده از فناوری های نوین و رویکرد های بین المللی می تواند در گذار انرژی و کاهش تغییرات اقلیمی نقش مؤثری داشته باشد. مهندس بهرام صادقی خطب و گروه آبر با ارائه راهکار هایی نوآورانه در کنار بررسی یک پروژه موفق تجربیات جهانی، بر اهمیت همکاری و سرمایه گذاری در حوزه انرژی و ساختمان تأکید کردند.




